Latest Components

FS6600 - Safety SBC for S32S2 Microcontroller, Fit for ASIL D

Manufacturer

Part #

Category

NXP FS6600 Power

Description

The FS6600 is an automotive, functionally safe multi-output power supply IC designed for powertrain, safety, and chassis applications. It features multiple switch mode and linear voltage regulators, enhanced safety features, and is compliant with ISO 26262 up to ASIL D. The FS6600 is the primary companion chip for the S32S2 microcontroller.

Power Profiler Kit 2

Manufacturer

Part #

Category

Nordic Semiconductor PPK2 Power

Description

The Power Profiler Kit 2 (PPK2) is a standalone tool for measuring and optimizing power consumption in embedded solutions. It supports current measurements from sub-microampere to 1A and can also supply power to devices under test. The kit features high-resolution analog measurement and logic analyzer capabilities for code-synchronized profiling.

onsemi BLDC Motor Control Solutions

Manufacturer

Part #

Category

onsemi BLDC Motor Control Solutions Power

Description

onsemi offers a comprehensive portfolio of discrete devices and modules for Brushless DC (BLDC) motor control, including MOSFETs, IGBTs, gate drivers, LDOs, power modules, and digital isolators. These solutions are designed for high efficiency, reliability, and rapid prototyping in industrial automation, HVAC, electric vehicles, and more. The ecosystem supports quick development and optimization of robust motor drive systems.

Power Profiler Kit

Manufacturer

Part #

Category

Nordic Semiconductor nRF6707 Power

Description

The Power Profiler Kit is a low-cost, highly accurate tool for measuring power consumption in embedded solutions. It supports direct mounting on Nordic Semiconductor development kits and features an advanced analog measurement unit for high dynamic range. The kit enables easy and precise power profiling for optimizing low-power systems.

STMicroelectronics A6986I Automotive Iso-Buck Converter

Manufacturer

Part #

Category

STMicroelectronics A6986I Power

Description

The A6986I is an automotive-grade 38 V, 5 W synchronous iso-buck converter designed for isolated power supply applications. It features a wide input voltage range, peak current mode control, and robust protection features without requiring an optocoupler. Ideal for automotive systems, it provides accurate primary output voltage regulation and efficient energy transfer to the secondary side.

EUCO 1500W Arena Sport LED Drivers

Manufacturer

Part #

Category

Delta EUCO-1K5140GLA / EUCO-1K5140GDA Power

Description

The EUCO 1500W Arena Sport LED driver features three independently programmable 500W channels, each adjustable from 500 to 1400 mA, for a total of 1500W output. It supports DALI2 or DMX/RDM interfaces for remote control and independent dimming, making it ideal for stadium and industrial lighting. Its robust IP66 enclosure and low ripple current ensure reliable, high-quality performance for demanding applications.

Torex XD6506 Ultra Low Power LDO Voltage Regulator

Manufacturer

Part #

Category

Torex XD6506 Power

Description

The Torex XD6506 is a 6.0V, 150mA ultra-low power LDO voltage regulator optimized for automotive applications. It features an extremely low quiescent current of 0.8μA and a selectable output voltage from 1.2V to 5V. The device is AEC-Q100 qualified and offers short circuit protection and compatibility with low ESR ceramic capacitors.

Motor Development Kit Family (MDK)

Manufacturer

Part #

Category

onsemi TRZTE0716-01-61C32-A Power

Description

The onsemi Motor Development Kit Family is a comprehensive prototyping platform for electric motor drives, featuring a Universal Controller Board based on Xilinx Zynq-7000 FPGA/ARM SoC and a range of power boards. It enables rapid testing, evaluation, and optimization of motor control systems with interactive GUI support. Ideal for high-end motor control and AI-based applications.

Sandisk IX SN530 NVMe Industrial-Grade SSD

Manufacturer

Part #

Category

Sandisk IX SN530 Power

Description

The Sandisk IX SN530 NVMe SSD is a high-performance, industrial-grade solid state drive designed for demanding applications such as industrial PCs and autonomous driving systems. It features a wide temperature range, high-capacity TLC and high-endurance SLC options, and is available in compact M.2 form factors. This SSD is built for reliability and longevity in extreme conditions.

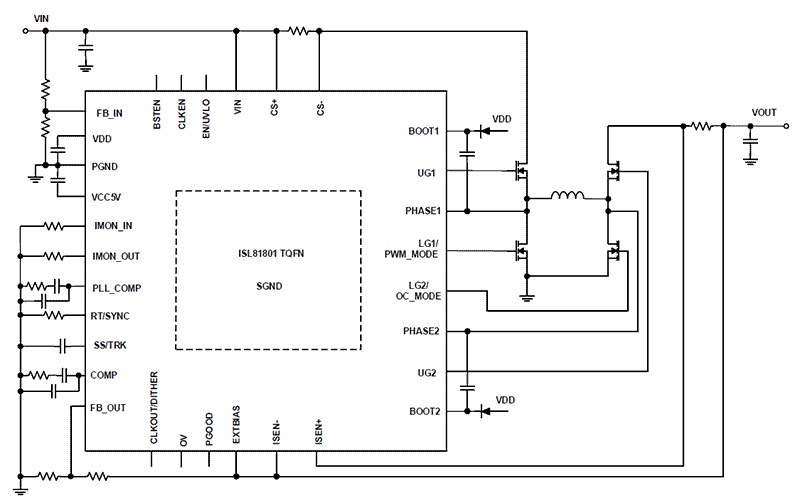
Renesas ISL81801 Buck-Boost Controller and ISL81802 Buck Controller

Manufacturer

Part #

Category

Renesas ISL81801/ISL81802 Power

Description

The ISL81801 is an 80V bidirectional 4-switch synchronous buck-boost controller with constant voltage and current regulation, ideal for industrial and telecom power supplies. The ISL81802 is an 80V dual-output/two-phase synchronous buck controller supporting high power applications with current sharing and advanced protection features. Both controllers offer wide input/output voltage ranges, robust protection, and high efficiency for demanding power management tasks.

1 3 4 5 6 7 8 9 10 11 12 13 14 15 188